请登录
注册
微信登录
二维码
查看手机网站
收藏本站
我的资料
中文
中文
¦
English
首页
Home
公司简介
Nav
产品中心
Nav
应用领域
Nav
新闻资讯
Nav
联系我们
Nav
电磁换向阀
机械阀
辅助阀
角座阀
两位两通阀
脉冲阀
执行器球阀
控制元件
标准气缸
迷你气缸
薄型气缸
多杆气缸
滑台气缸
无杆气缸
旋转气缸
手指气缸
针型气缸
气缸附件
执行元件
电气比例阀
OU系列气源处理件
AC/BC系列气源处理件
49系列气源处理件
39系列气源处理件
G系列气源处理件
精密调压阀
高压系列
自动排水阀
气源处理件
振动器
接头
气动附件
压力控制器
其他附件
磁力偶合器
偶合器
分享
在线客服
客服一
上一个:
CRA1系列齿轮条式摆动气缸
下一个:
MY1M系列机械接合式无杆气缸(滑动导轨型)
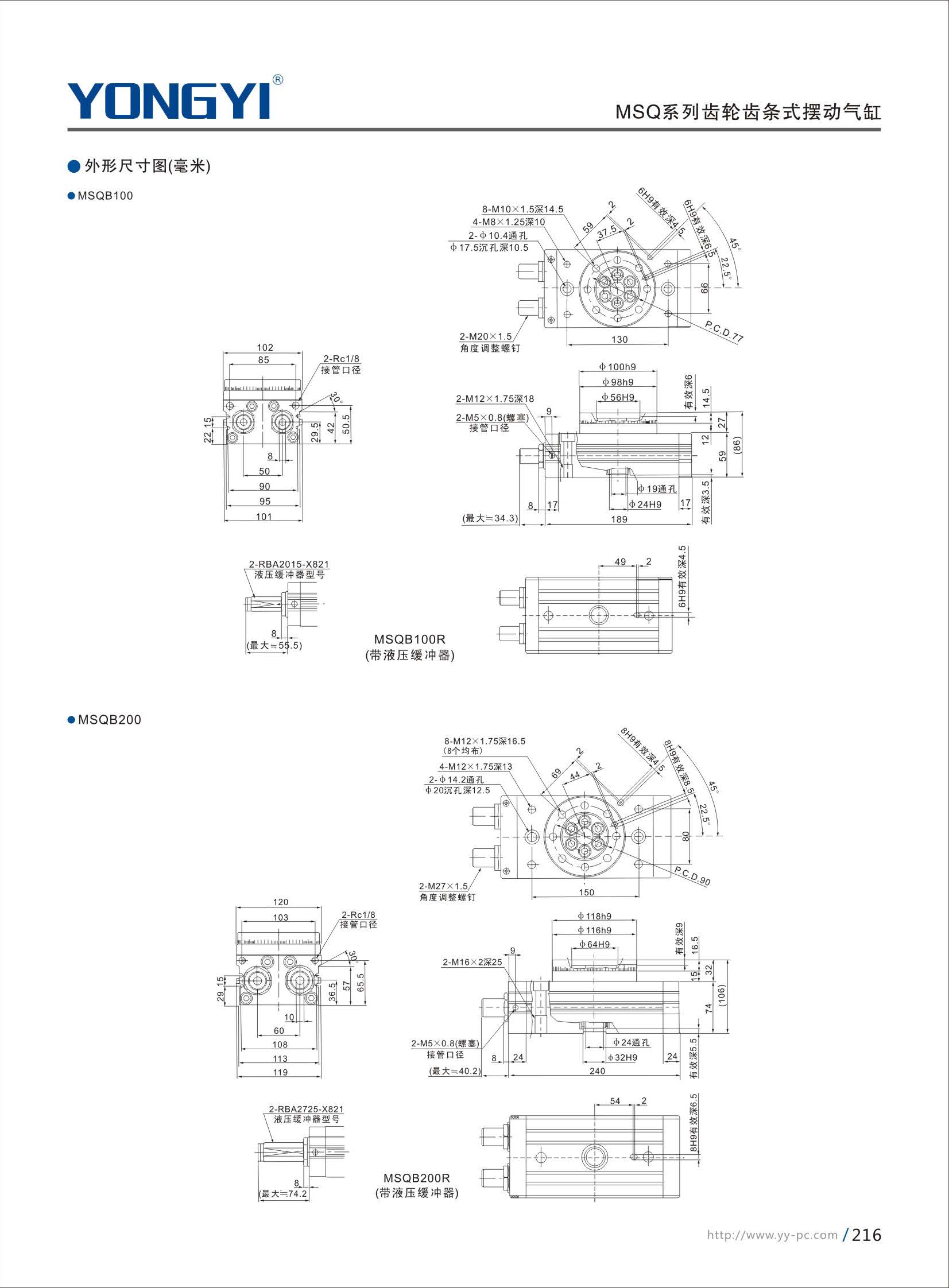
MSQ系列齿轮条式摆动气缸
规格型号1
:
MSQA10-M9N
规格型号2
:
MSQB10A-M9N
157-0009-3854
附件下载
立即预约
产品详情
Contact Us
联系我们
联系手机:+86-
190-3219-6373
联系邮箱:Jacking@china-yongyi.com
联系地址:浙江省宁波市奉化区溪口工业园区诚信路10号
关注微信公众号
关注官方抖音账号